所在位置:首页 > 信号指示灯
AD103-16C(S)

* 产品介绍

|
|||||||
|
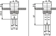
说明 1、在第1个“■”处填写颜色,第2个“■”处填写电压等级代码 2、产品均采用纯色高亮度LED光源。 3、AD103-16C(S)为插脚接线方式,其中AD103-16C总长度约为46.5(不包括插脚);AD103-16CS为超短型,总长度约为34(不包括插脚)。 4、抗干扰规格请在型号后加“K”。抗干扰规格一般能抗20%Us的干扰电压,如需其他抗干扰电压请在定货时特别注明。。 5、.型号举例: 红色,AC DC24V信号灯,插脚接线:AD103-16C/R23 绿色,AC380V超短型信号灯,插脚接线:AD103-16CS/G32 |
|||||||
说明
1、在第1个“■”处填写颜色,第2个“■”处填写电压等级代码
2、产品均采用纯色高亮度LED光源。
3、AD103-16C(S)为插脚接线方式,其中AD103-16C总长度约为46.5(不包括插脚);AD103-16CS为超短型,总长度约为34(不包括插脚)。
4、抗干扰规格请在型号后加“K”。抗干扰规格一般能抗20%Us的干扰电压,如需其他抗干扰电压请在定货时特别注明。。
5、.型号举例:
红色,AC DC24V信号灯,插脚接线:AD103-16C/R23
绿色,AC380V超短型信号灯,插脚接线:AD103-16CS/G32
上一个:没有了
下一个:AD103-16D(S)

